


采用80直流減速電機(DC 12V或DC 24V)或80交流異步減速電機(AC 220V),轉速固定,結構簡單,提供底板或面板兩種安裝方式。具有標準泵頭支架,可以安裝多種泵頭。
流量范圍:-≤2163ml/min
最大通道數:2
適用場所:
主要在設備儀器中配套使用
產品特性:
80系列固定轉速型ODM產品是針對配套客戶設計研發的蠕動泵驅動器。產品采用80直流減速電機(DC 12V或DC 24V)或80交流異步減速電機(AC 220V),轉速固定,結構簡單,提供底板或面板兩種安裝方式。具有標準泵頭支架,可以安裝多種泵頭。客戶可根據使用需求選擇合適的轉速、電機和泵頭。
功能特點
| 產品型號 | 安裝方式 | 產品編號 | 轉速(rpm) | 電機類型 | 適用電源 | 轉速誤差 | 建議壽命 | 工作環境溫度 | 工作環境相對濕度 |
| G186-D3 | 底板 | 05.51.313 | 186 | 80直流 減速電機 | DC 12V/40W | ≤±10% | 2000小時 | 0℃-40℃ | <80% |
| G186-D4 | 面板 | 05.51.314 | 186 | ||||||
| G311-D3 | 底板 | 05.51.511 | 311 | ||||||
| G311-D4 | 面板 | 05.51.512 | 311 | ||||||
| G560-D3 | 底板 | 05.51.721 | 560 | ||||||
| G560-D4 | 面板 | 05.51.722 | 560 | ||||||
| G196-D103 | 底板 | 05.53.313 | 196 | DC 24V/40W | |||||
| G196-D104 | 面板 | 05.53.314 | 196 | ||||||
| G327-D103 | 底板 | 05.53.511 | 327 | ||||||
| G327-D104 | 面板 | 05.53.512 | 327 | ||||||
| G590-D103 | 底板 | 05.53.711 | 590 | ||||||
| G590-D104 | 面板 | 05.53.712 | 590 | ||||||
| G147-A3 | 底板 | 05.55.311 | 147 | 80交流 減速電機 | AV 220V/40W | 5000小時 | |||
| G147-A4 | 面板 | 05.55.312 | 147 | ||||||
| G220-A3 | 底板 | 05.55.411 | 220 | ||||||
| G220-A4 | 面板 | 05.55.412 | 220 | ||||||
| G366-A3 | 底板 | 05.55.511 | 366 | ||||||
| G366-A4 | 面板 | 05.55.512 | 366 |
技術指標
適配泵頭:YZ1515X,YZ2515X,YZⅡ15,YZⅡ25等。其他泵頭型號以及適用軟管規格,請參考最新產品樣本。
轉速:每款產品轉速固定不可調。產品型號及對應轉速,請參考附件1。
流量:請參考最新產品樣本。
工作環境:環境溫度:0-40℃,相對濕度:<80%,無凝露
適用電源:80直流減速電機,適用DC 12V/40W或DC 24V/40W電源
80交流減速電機,適用AC 220V/40W電源
建議壽命:80直流減速電機,建議壽命2000小時
80交流減速電機,建議壽命5000小時
轉速誤差:≤±10%
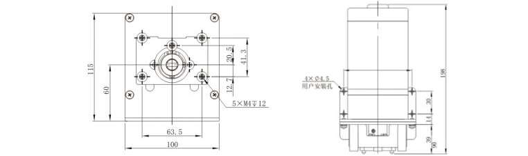
外形尺寸:(長×寬×高)198×100×115(mm)
其他參數



您的報價需求已收到



